Chemopower’s SmartDalton only accepts data file in CDF, mzXML, mzDATA format. Experimental data from LC-MS should be converted into one of these format before importing into SmartDalton.
- Instrument and software
Bruker LC- Iron Trap, Compass DataAnalysis software
- Data exporting procedure
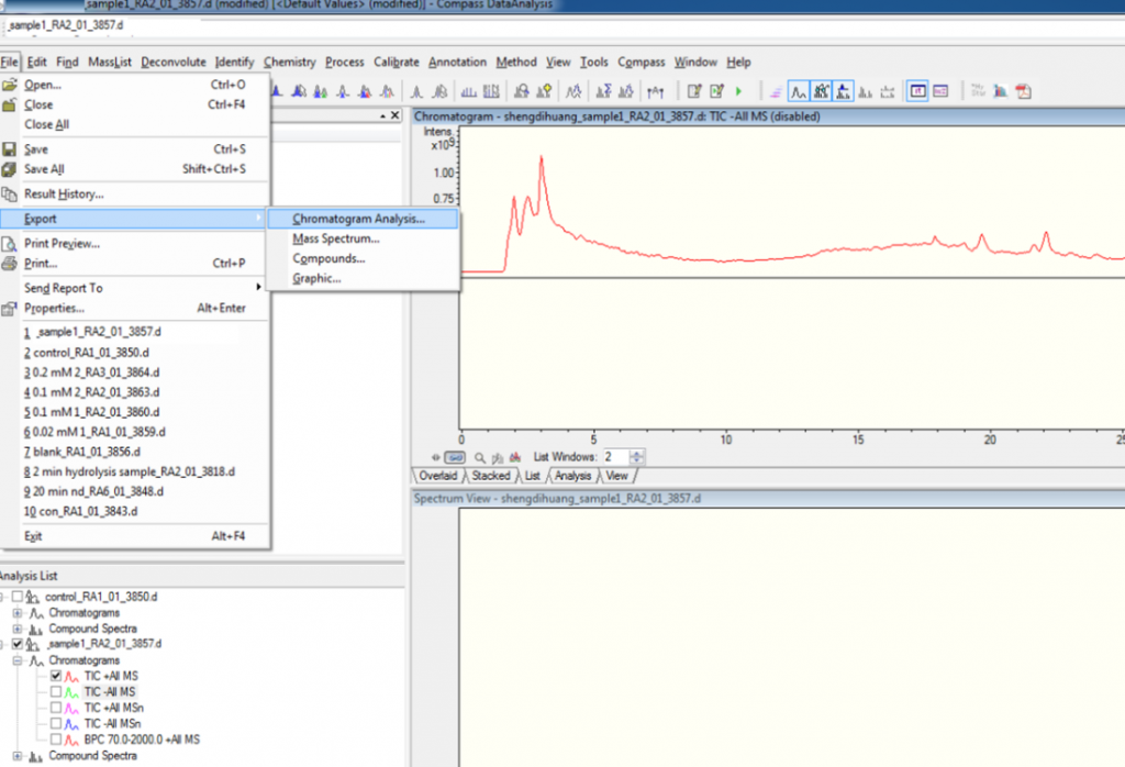
- Open Bruker LC-MS data reading software (Compass DataAnalysis). In the menu bar, click “open…..” Open the data you want to export from the destination.
- Next, choose “File” from the top menu. Select and left click “Export”. Click “Chromatogram Analysis”.

- You will be required to export the data in your computer. Choose the destination you wish to save the data. Next, from “save as type” area, choose the data format of mzXML, mzData or netCDF.

- Next, choose the spectrum type (line spectra or profile spectra) you want to save and customize a name. Then click the button “save” and the data will be successfully converted into one of these format.

- The export of data will be completed. You will see the exported data in. mzXML, mzDATA, .cdf format in the directory which you have selected previously. Now you can upload this data into our SmartDalton platform.
